C7娱乐下载-C7娱乐平台 政府信息公开指南
(2023年版)
根据2019年4月3日中华人民共和国国务院令第711号公布修订的《中华人民共和国政府信息公开条例》(以下简称《条例》)和《武汉市人民政府办公厅信息公开指南》,结合本局实际,制定本指南。
一、主动公开政府信息
(一)公开内容
根据《条例》规定,坚持以公开为常态,不公开为例外,除涉密等不应公开的信息外,公开C7娱乐下载-C7娱乐平台 以下信息:
1.市民政局领导及分工情况;
2.C7娱乐下载-C7娱乐平台 机构职能、机构设置、 办公地址等;
3.C7娱乐下载-C7娱乐平台 文件;
4.财政预算、决算信息;
5.公务员招考的职位、名额、报考条件;
6.其他依照法律、法规和国家有关规定应当主动公开的信息。
(二)公开方式
1.武汉市民政局门户网站(//c7app.net);
2.微信“C7娱乐下载 ”;
3.新闻发布会;
4.报刊、广播、电视;
5.“市民之家”政务服务大厅(武汉市江岸区金桥大道117号)、武汉市档案馆(武汉市江岸区怡和路59号)、武汉市图书馆(武汉市建设大道861号)设置主动公开的政府信息查阅场所。
(三)公开时限
属于主动公开范围的政府信息,自该政府信息形成或者变更之日起20个工作日内予以公开。法律、法规对政府信息公开期限另有规定的,从其规定。
二、依申请公开政府信息
除主动公开的政府信息外,公民、法人或者其他组织可以向本机关申请获取C7娱乐下载-C7娱乐平台 相关政府信息。
(一)政府信息公开工作机构
办公室是C7娱乐下载-C7娱乐平台 信息公开工作机构,负责政府信息公开工作的组织协调和分办督办工作。
办公地址:武汉市江岸区高雄路105号
办公时间:8:30——12:00,14:30——17:30(公休日除外,季节性办公时间调整见公告)
联系电话:027-85736000 027-85736116(传真)
通信地址:武汉市江岸区高雄路105号,邮政编码:430015。
信息公开回复电子邮箱地址:mzjysq@c7app.net。
(二)申请提出
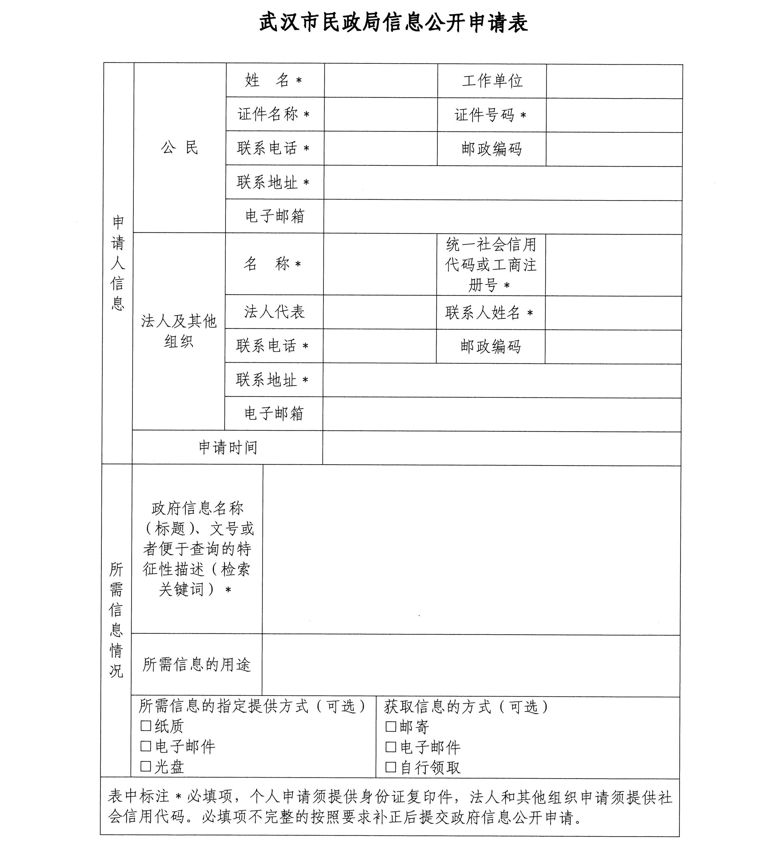
向市民政局申请获取政府信息的申请人,应当填写《C7娱乐下载-C7娱乐平台 信息公开申请表》(以下简称《申请表》,见附件)。《申请表》可在受理机构处领取,也可以在市民政局门户网站(//c7app.net)下载,复印有效。
申请人提出的政府信息公开申请应当包括下列内容:
1.申请人的姓名或名称、有效身份证明文件、联系方式等。申请人系自然人的,应提供身份证复印件;申请人系法人的,应提供营业执照或者组织机构代码证复印件和法定代表人证明书。自然人或法人委托代理人申请政府信息公开的,应提供授权委托书和代理人身份证复印件。
2.申请公开的政府信息的名称、文号或者便于行政机关查询的其他特征性描述。所需的政府信息应当描述明确、详尽,有助于受理机构确定信息内容。
3.申请公开的政府信息的形式要求,包括获取信息的方式、途径。
4.当面申请的,应当出示有效身份证明文件;通过邮政寄送提交申请的,应随《申请表》附有效身份证明文件复印件;通过互联网申请的,应随《申请表》附有效身份证明文件扫描件。
(三)申请方式
申请人可以通过以下方式提出政府信息公开申请:
1.当面申请:申请人可以到市民政局办公室当面提交政府信息公开申请,本机关现场出具《政府信息公开申请接收回执》。
2.信函申请:申请人通过信函方式提出申请的,收信人栏应写“C7娱乐下载-C7娱乐平台 ”,并在信封左下角注明“政府信息公开申请”字样。
3.互联网申请:申请人登录C7娱乐下载-C7娱乐平台 门户网站,在“依申请公开”栏目按提示填写《政府信息公开申请表》后直接提交。
(四)申请处理
1.登记审核。对收到的政府信息公开申请及时登记并对提交的申请材料进行审核。申请内容不明确的,本机关自收到申请之日起7个工作日内出具《政府信息公开申请补正告知书》,告知申请人作出补正,说明需要补正的事项和合理的补正期限。
2.答复。本机关受理机构收到申请之日起20个工作日内予以答复,需要延长答复期限的,经本机关信息公开工作机构负责人同意并告知申请人,延长的期限最长不得超过20个工作日。
对申请人出具《政府信息公开申请答复书》,包含以下几类答复情况:
属于已经主动公开的政府信息,告知申请人获取该政府信息的方式、途径;
属于可以公开的政府信息,向申请人提供该政府信息,或者告知申请人获取该政府信息的方式、途径和时间;
属于不予以公开的政府信息,告知申请人不予公开的理由;
经检索没有所申请公开信息的,告知申请人该政府信息不存在;
不属于本机关负责公开的,告知申请人并说明理由;能够确定负责公开该政府信息的行政机关的,告知申请人该行政机构的名称、联系方式;
对申请人重复申请公开相同政府信息的,告知申请人不予重复处理;
属于工商、不动产登记资料等信息,有关法律、行政法规对信息的获取有特别规定的,告知申请人依照有关法律、行政法规的规定办理。
3.不予公开或者可以不予公开规定。
(1)依法确定为国家秘密的政府信息,法律、行政法规禁止公开的政府信息,以及公开后可能危及国家安全、公共安全、经济安全、社会稳定的政府信息,不予公开。
(2)涉及商业秘密、个人隐私等公开会对第三方合法权益造成损害的政府信息,行政机关不得公开。但是,第三方同意公开或者行政机关认为不公开会对公共利益造成重大影响的,予以公开。
(3)行政机关的内部事务信息,包括人事管理、后勤管理、内部工作流程等方面的信息,可以不予公开。
行政机关在履行行政管理职能过程中形成的讨论记录、过程稿、磋商信函、请示报告等过程性信息以及行政执法案卷信息,可以不予公开。法律、法规、规章规定上述信息应当公开的,从其规定。
(五)收费说明
《条例》第四十二条规定:行政机关依申请提供政府信息,不收取费用。但是,申请人申请公开政府信息的数量、频次明显超过合理范围的,行政机关可以收取信息处理费。本机关依照相关规定收取信息处理费,收费严格按照国务院办公厅《政府信息公开信息处理费管理办法》及湖北省财政厅、省发改委《关于政府信息公开信息处理费有关事项的通知》的规定执行。
三、监督和救济
公民、法人或者其他组织认为本机关不依法履行政府信息公开义务的,可以向本机关投诉举报,或提出意见建议。接收投诉举报和意见建议的电子邮箱:mzjysq@wuhan.gov.cn(该电子邮箱不用于接收政府信息公开申请)。
公民、法人或者其他组织认为本机关在政府信息公开工作中侵犯其合法权益的,可在答复书送达之日起60日内向武汉市人民政府申请行政复议,或者在收到答复书之日起六个月内依法向江岸区人民法院提起行政诉讼。
附件

附件:

鄂公网安备 42010202000854号